Loading...

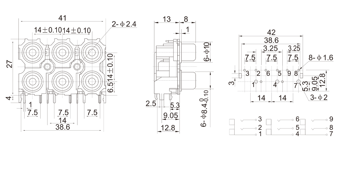
AV6-8.4-13/ES

产品描述

在线留言

相关产品

查看更多